Witam
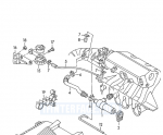
Mam pytanie gdzie idzie wąż od silniczka krokowego ? Chodzi mi o ten co na zdjęciu podpieram palcem Bo dalszy idzie do i łączy się z przewodem od odmy.
Pozdrawiam i dziękuje
http://www.fotosik.pl/zdjecie/773ab6d1f529ab64" onclick="window.open(this.href);return false;
zapytanie o przewód
Moderatorzy: Michał_1977, italiano_83, G0 Karcio, Haki, Qto, marcin7x5, VIP
- brzozkalbn
- Użytkownik

- Posty: 268
- Rejestracja: czw lis 12, 2009 22:54
- Lokalizacja: Lublin
- Kontakt:
Kto jest online
Użytkownicy przeglądający to forum: Obecnie na forum nie ma żadnego zarejestrowanego użytkownika i 12 gości

